BNC & RPBNC connector
BNC & RPBNC connector
-
Webshop
-
Coax Connectors
- SMA & RPSMA connector
- N & RPN connector
- UHF connector
- BNC & RPBNC connector
- TNC & RPTNC connector
- FME connector
- MCX connector
- MMCX & RPMMCX connector
- SMB & SSMB connector
- SMC & SSMC connector
- SMP & SMPM connector
- 7/16 connector
- 4.3-10 connector
- NEX10
- APC 3.5 connector
- Coax adaptor
- HN connector
- F connector
- Mini UHF connector
- GSM-LTE & WiFi connectors
- Teleconnectors
- RF connector accessories
- C connector
- MNO connector
- Twinax UHF
- EIA connector
- Auto Radio connector
- FAKRA connectors
- DC Banan stik 4mm
- SHV connectors
- Microdot /10-32 connector
- Coax Cables & Cables
- Lightning & Grounding Kits
- RF Components
- Coax Relays & Switches
- Tools Coax & LAN
-
Antennas / Filters / Combiners / Splitters / Mounting Hardware
-
Procom
- Base Station Antennas
- Mobile Antennas
- Portable Antennas
- Duplex Filters
- Diplexers/Triplexers
- Band Pass Filters
- Band Reject Filters
- Low Pass Filters
- Hybrid Combiners
- Tetra Combiners
- Multicouplers
- Combiner Components
- Power Monitors
- Couplers
- LNA
- ATEX
- DAS
- Power Splitters
- Power Tappers
- Dommy Loads & Attenuators
- System Components
- Accessories
- Brackets
- GPS
- GSM/UMTS/3G/LTE/4G/5G
- Wlan
- HF/VHF/UHF
- 27 MHz
- ADS-B Fly Beacon
- Log Periodic Antenna
- Mounting Hardware
- High Precision GNSS antennas
- Mobile antenne mount
-
Procom
- Radios & Receivers / Accessories & Test Equipment
- Power Solutions
- Car Electronics / Tracking/GPS
- Radio & TV
- Pager
- LED
- Boost dit 4G/5G netværk
- Kabelkonfektionering
- Outlet
-
Coax Connectors
- Vores løsninger
- Cases
- Nyheder
- Kontakt
- Om os
Filter
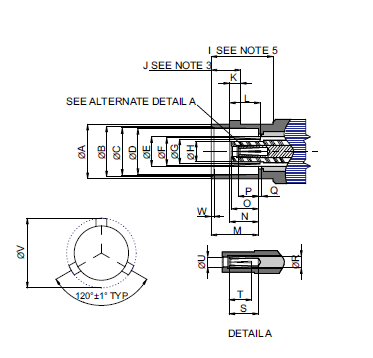
BNC Connectors
The BNC series coaxial connector, a medium sized coaxial connector with bayonet lock, has found its way into the lower microwave frequency applications.
Interface Mating Dimensions
Male
Note 1: Flared to meet mating characteristic test.
Note 2: This interface shall meet the gauge requirements of MIL-C-49142.
Female
Note 3: .005(0.13MM) flat permissible to meet dimension J.
Note 4: Chamfer or radius.
Note 5: Clearance for mating connector coupling nut.
Note 6: Jyebao TRB/BNC connectors meet the interface requirements of MIL-STD-348A Coax stik